TAN

Itseporautuva nylonpistoke kipsilevyyn

The TAN nylon plug is designed for fastening in plasterboard. The dowel is screwed into single and double planked board elements with a positive fit and flush with the surface. The fastening elements to be connected can be mounted with wood, -/ sheet metal / chipboard - screws from Ø3.0 mm to Ø4.5 mm.

Tuotteen yksityiskohdat

Kuvat

Ominaisuudet

Benefits

  • Ei esireikää tarvita
  • Sopii myös kaksoiskipsilevypaneeleihin

Sovellus

Material

  • Nylon

Applications

  • Puulistat
  • Verhokisko
  • Metalliprofiilit

Suitable for

  • Kipsilevy

Tekniset tiedot

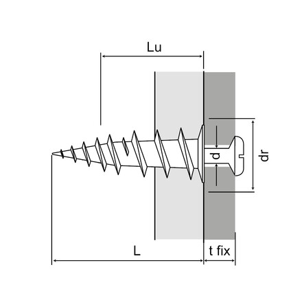
Mitat

Product Dimensions

Tuotenro Tuotenumero Dimensions [ØxL] [mm] Tappi [Ø x L] Ruuvin vähimmäishalkaisija [d] [mm] Suurin ruuvin halkaisija [d] [mm] Aluslevyn halkaisija dr [mm] Min. kierteen tartunta [Lu] [mm] Qty per box Määrä per ulkolaatikko Paino [kg]
6550501503500TANØ6.5x3515x3534.5142210010000.002

Screw Length: Lv = Lu + tfix

Use Phillips PH2 insert with plasterboard plug

Suositellut kapasiteetit

Tuotenro Tuotenumero Dimensions [ØxL] [mm] Suositeltu kapasiteetti Asennustiedot
Jännitys - Nrec [kN] Reunan etäisyys [ccr,N] [mm] Välit(5) - Scr,N [scr,N] [mm]
Kipsilevy 12,5 mm Kipsilevy 2 x 12,5 mm
6550501503500TANØ6.5x350.060.15050

*These values are for guidance only 

Tuotteen mitat - Tee-se-itse

Table "Tuotteen mitat - Tee-se-itse" cannot be displayed : no references available.

Asennus

Asennus

ZIP-paketit

Buy from Distributor

No items available.

Contact

Simpson Strong-Tie Ruotsi

Simpson Strong-Tie / Gbo Fastening Systems AB

Bruksvägen 2
59375 Gunnebo
Ruotsi