TRZ

Itseporautuva Zamak-tulppa kipsilevyyn

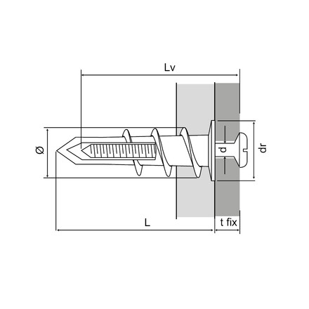
The TRZ zamak plug is designed for fastening in plasterboard and fibreboard. The dowel is screwed into single and double planked board elements with a positive fit and flush with the surface. The fastening elements to be connected can be mounted with wood, -/ sheet metal / chipboard - screws from Ø3.0 mm to Ø4.5 mm.  

Yellow electro-galvanized steel

Tuotteen yksityiskohdat

Kuvat

Ominaisuudet

Material

  • Tappi: zamak
  • Ruuvi: valkotsinkitty teräs

Benefits

  • Ei esireikää tarvita
  • Kiinnitys tehdään ruuvimeisselillä

Sovellus

Applications

  • Puulistat
  • Verhokisko
  • Metalliprofiilit

Suitable for

  • Harkkobetoni
  • Kipsilevy
  • Paneelit ja levyt (osittain sopivia)

Tekniset tiedot

Mitat

Product Dimensions

Tuotenro Tuotenumero Pistokkeen halkaisija x pituus [ØxL] [mm] Kiinnikkeen paksuus [tfix] [mm] Nimellinen upotussyvyys* [hnom] [mm] Min. tukipaksuus* [hmin] [mm] Ruuvin halkaisija [d] [mm] Ruuvin pituus [Lv] [mm] Aluslevyn halkaisija [dr] [mm] Syvennys Qty per box Määrä per ulkolaatikko Paino [kg]
7500601303000TRZ13x3010306043514PZ210020000.007

Values refer to installation on compact base materials such as aerated concrete.

Suositellut kapasiteetit

Tuotenro Tuotenumero Pistokkeen halkaisija x pituus [ØxL] [mm] Suositeltu kapasiteetti Asennustiedot
Jännitys - Nrec [kN] Leikkaus - Vrec [kN] Ominainen reunaväli [ccr,N] [mm] Ominaisväli (5) - Scr,N [scr,N] [mm]
Harkkobetoni G4  Kipsilevy 12,5 mm Aerated concrete G4  Plasterboard 12,5 mm
7500601303000TRZ13x300.10.050.20.15050

*These values are for guidance only 

Tuotteen mitat - Tee-se-itse

Table "Tuotteen mitat - Tee-se-itse" cannot be displayed : no references available.

Asennus

Asennus

ZIP-paketit

Buy from Distributor

No items available.

Contact

Simpson Strong-Tie Ruotsi

Simpson Strong-Tie / Gbo Fastening Systems AB

Bruksvägen 2
59375 Gunnebo
Ruotsi