Suorituskykyinen pitkä tulppa
The X3 plugs in Ø8 and Ø10 mm versions in combination with countersunk / hexagon head screws are approved for multiple fixings in concrete and masonry.
Tuotteen yksityiskohdat
Ominaisuudet
Material
Tappi: nailon
Ruuvi: valkoinen sinkitty teräs
Benefits
- Erinomainen suorituskyky kaikilla alusmateriaaleilla.
- Jopa 3 upotussyvyyttä
- Äärimmäinen monipuolisuus ja huomattavasti lyhentynyt asennusaika.
- Lisääntynyt laajeneminen
- Suunniteltu julkisivuihin ja raskaaseen puusepäntyöhön.
Sovellus
Applications
- Ilmastoitu julkisivu
- Teräsrakenteet
- Puusepän työt
Suitable for
- Halkeilematon betoni
- Kiinteä tiili
- Hunajakennoinen tiili
- Solumainen savitiili
- Kevyt hunajakennoinen tiili
- Ontto tiivis kiviaineslohko
- Ontto kevyt kiviaineslohko
- Harkkobetoni
- Kiinteä kivi
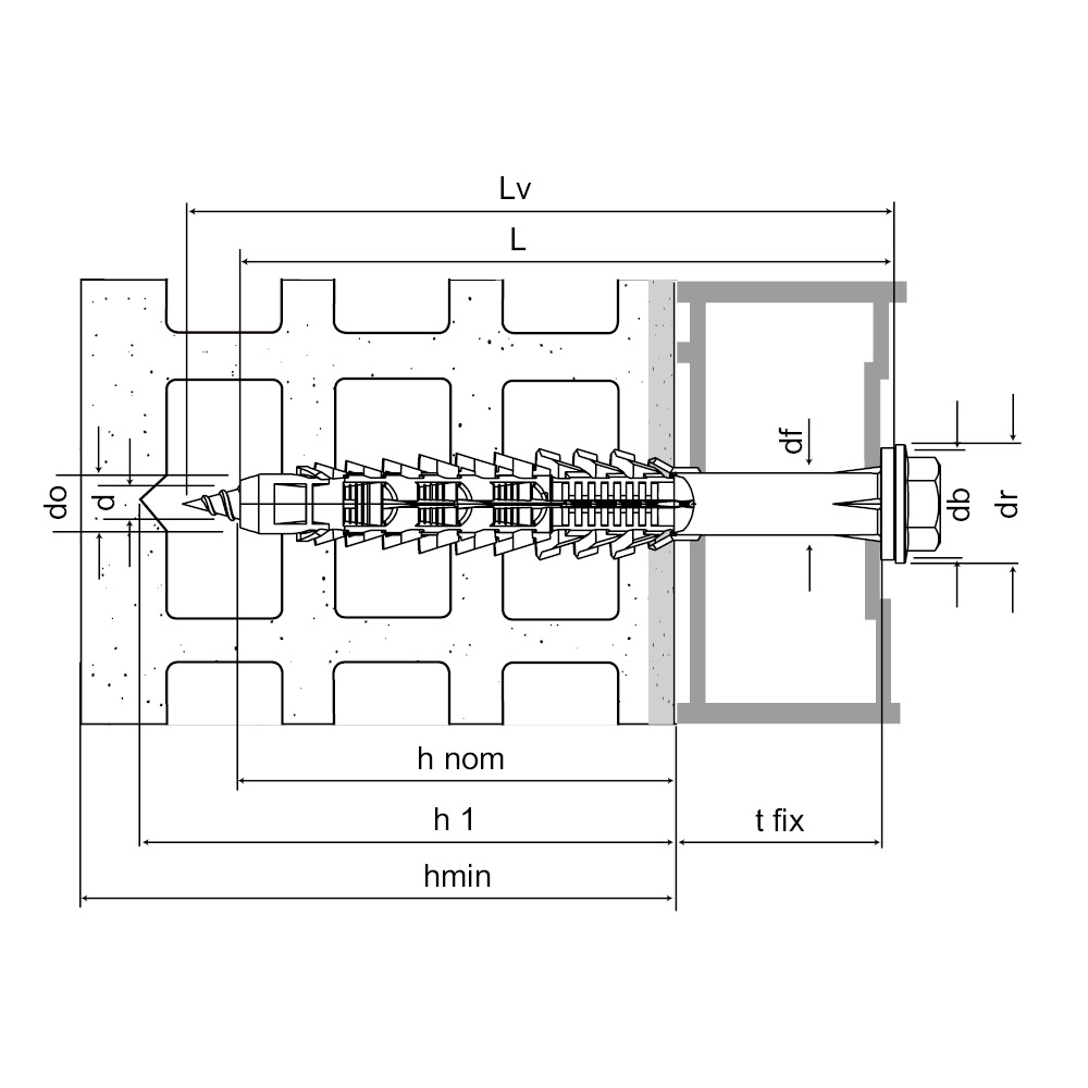
Tekniset tiedot
Tuotteen mitat - Uppokantaruuvit
(1) Only for aerated concrete
* Not covered by CE certification
Tuotteen mitat - Uppokantaruuvit
| Tuotenro | Tuotenumero | Tappi [ØxL] [mm] | Ruuv [ØxL] [mm] | Vähennetty kiinnikkeen paksuus [tfix] [mm] | Vakiokiinnikkeen paksuus [tfix] [mm] | Lisääntynyt(1) kiinnikkeen paksuus [tfix] [mm] | Ø porauskiinnike [df] [mm] | Bit | Qty per box | Määrä per ulkolaatikko |
|---|---|---|---|---|---|---|---|---|---|---|
| 64602B0808000 | X3 | 8x80 | 6x88 | 40 | 30 | - | 8.5 | T30 | 50 | 500 |
| 64602B0810000 | 8x100 | 6x108 | 60 | 50 | - | 8.5 | T30 | 50 | 500 | |
| 64602B0812000 | 8x120 | 6x128 | 80 | 70 | - | 8.5 | T30 | 50 | 500 |
(1) Only for aerated concrete
NOTE: The thickness of the plaster must be included in the fixing thickness tfix
Tuotteen mitat - Suuri reunapistoke Ø18 kuusioruuvilla
(1) Only for aerated concrete
* Not covered by CE certification
** Plug only
▲ Quantity and delivery terms to be agreed
NOTE: The thickness of the plaster must be included in the fixing thickness tfix
Tuotteen mitat - Tee-se-itse - Uppokantaruuvi
| Tuotenro | Tuotenumero | Tappi [ØxL] [mm] | Ruuv [ØxL] [mm] | Vähennetty kiinnikkeen paksuus [tfix] [mm] | Vakiokiinnikkeen paksuus [tfix] [mm] | Lisääntynyt(1) kiinnikkeen paksuus [tfix] [mm] | Bit | Kpl/blister | Pakkaus/Pkg. |
|---|---|---|---|---|---|---|---|---|---|
| 64601B08080F2 | X3 | 8x80 | 6x88 | 40 | 30 | - | PZ3 | 4 | 20 |
| 64601B08100F2 | X3 | 8x100 | 6x108 | 60 | 50 | - | PZ3 | 4 | 20 |
| 64601B08120F2 | X3 | 8x120 | 6x128 | 80 | 70 | - | PZ3 | 4 | 20 |
(1) Only for aerated concrete
* Not covered by CE certification
Suunnittelukapasiteetit – yksi ankkuri – ei reunavälejä
| Tuotenro | Suunnittelukapasiteetit - yksi ankkuri - ei reunavälejä | ||||||||
|---|---|---|---|---|---|---|---|---|---|
| Suunnittelukapasiteetti | |||||||||
| Jännitys - NRd | Leikkaus - VRd | Taivutusmomentti - MRd [Nm] | |||||||
| Halkeilematon betoni C12/25 [kN] | Non-cracked concrete C16/20 [kN] | Autoclaved aerated concrete AAC 2 [kN] | Kiinteä tiili (BP400) [kN] | Non-cracked concrete C12/15 [kN] | Non-cracked concrete C16/20 [kN] | Autoclaved aerated concrete AAC 2 [kN] | Solid brick (BP400) [kN] | ||
| 64602B0808000 | 0.65 | 0.83 | - | 1.4 | - | - | - | - | 11.3 |
| 64602B0810000 | 0.65 | 0.83 | - | 1.4 | - | - | - | - | 11.3 |
| 64602B0812000 | 0.65 | 0.83 | - | 1.4 | - | - | - | - | 11.3 |
1. The design loads loads have been calculated using the partial safety factors for resistances stated in ETA-approval(s). The loading figures are valid for unreinforced concrete and reinforced concrete with a rebar spacing s ≥ 15 cm (any diameter) or with a rebar spacing s ≥ 10 cm, if the rebar diameter is 10mm or smaller.
2. The figures for shear are based on a single anchor without influence of concrete edges. For anchorages close to edges (c ≤ max [10 hef; 60d]) the concrete edge failure shall be checked per ETAG 001, Annex C, design method A.
3. Concrete is considered non-cracked when the tensile stress within the concrete is\sigmaL +\sigmaR ≤ 0. In the absence of detailed verification\sigmaR = 3 N/mm² can be assumed (\sigmaL equals the tensile stress within the concrete induced by external loads, anchors loads included).
*Not covered by ETA-11/0080
Suositellut kapasiteetit – yksi ankkuri – ei reunavälejä
| Tuotenro | Suunnittelukapasiteetit - yksi ankkuri - ei reunavälejä | ||||||||
|---|---|---|---|---|---|---|---|---|---|
| Suunnittelukapasiteetti | |||||||||
| Jännitys - NRd | Leikkaus - VRd | Taivutusmomentti - MRd [Nm] | |||||||
| Halkeilematon betoni C12/25 [kN] | Non-cracked concrete C16/20 [kN] | Autoclaved aerated concrete AAC 2 [kN] | Kiinteä tiili (BP400) [kN] | Non-cracked concrete C12/15 [kN] | Non-cracked concrete C16/20 [kN] | Autoclaved aerated concrete AAC 2 [kN] | Solid brick (BP400) [kN] | ||
| 64602B0808000 | 0.65 | 0.83 | - | 1.4 | - | - | - | - | 11.3 |
| 64602B0810000 | 0.65 | 0.83 | - | 1.4 | - | - | - | - | 11.3 |
| 64602B0812000 | 0.65 | 0.83 | - | 1.4 | - | - | - | - | 11.3 |
1. The recommended loads have been calculated using the partial safety factors for resistances stated in ETA-approval(s) and with a partial safety factor for actions of γF=1.4. The loading figures
are valid for unreinforced concrete and reinforced concrete with a rebar spacing s ≥ 15 cm (any diameter) or with a rebar spacing s ≥ 10 cm, if the rebar diameter is 10 mm or smaller.
2. The figures for shear are based on a single anchor without influence of concrete edges. For anchorages close to edges (c ≤ max [10 hef; 60d]) the concrete edge failure shall be checked per
ETAG 001, Annex C, design method A.
3. Concrete is considered non-cracked when the tensile stress within the concrete is\sigmaL +\sigmaR ≤ 0. In the absence of detailed verification\sigmaR = 3 N/mm² can be assumed (\sigmaL equals the tensile stress within the concrete induced by external loads, anchors loads included).
Asennus
Asennus
Välimatkat ja reunamatkat
| Tuotenro | Tuotenumero | Tappi [ØxL] [mm] | Välit ja reunat etäisyydet | |||||||||||||||
|---|---|---|---|---|---|---|---|---|---|---|---|---|---|---|---|---|---|---|
| Halkeilematon betoni C12/15 | Halkeilematon betoni C16/20 | Autoklaavattu kevytbetoni AAC 2 [hef] [mm] | Kiinteä tiili [ccr,N] [mm] | |||||||||||||||
| Min. reunaväli [cmin] [mm] | Min. spacing [smin] [mm] | Ominainen reunaväli [ccr,N] [mm] | Tuen vähimmäispaksuus [mm] | Min.reunan etäisyys [mm] | Min. väli [mm] | Characteristic edge distance [mm] | Minimun thickness of support [mm] | Min. edge distance [cmin] [mm] | Min. spacing [smin] [mm] | Characteristic edge distance [scr,N] [mm] | Tuen vähimmäispaksuus [mm] | Min. edge distance [cmin] [mm] | Min. spacing [smin] [mm] | Characteristic edge distance [ccr,N] [mm] | Minimun thickness of support [mm] | |||
| 64602B0808000 | X3 | 8x80 | 70 | 85 | 85 | 100 | 50 | 60 | 60 | 100 | 100 | 250 | - | 240 | 100 | 250 | - | 175 |
| 64602B0810000 | X3 | 8x100 | 70 | 85 | 85 | 100 | 50 | 60 | 60 | 100 | 100 | 250 | - | 240 | 100 | 250 | - | 175 |
| 64602B0812000 | X3 | 8x120 | 70 | 85 | 85 | 100 | 50 | 60 | 60 | 100 | 100 | 250 | - | 240 | 100 | 250 | - | 175 |
* Not included in the approval
Installation data
| Tuotenro | Asennustiedot | ||
|---|---|---|---|
| Ø porausreikä [d0] [mm] | Min. poraussyvyys [h1] [mm] | Ø porauskiinnike [df] [mm] | |
| 64602B0808000 | 8 | 55 | 8.5 |
| 64602B0810000 | 8 | 55 | 8.5 |
| 64602B0812000 | 8 | 55 | 8.5 |