FM-X5
Pitkä tulppa ikkuna- ja ovikehyksiin
The FM-X5 frame plug in Ø8 and Ø10 mm versions in combination with a countersunk or hexagon head screw is approved for multiple fixings in concrete and masonry.
CE-merkitty
Tekninen hyväksyntä
Käyttöluokka 2
Sähkösinkitty teräs
Indoor
Feu R 90
Fix Calc
Tuotteen yksityiskohdat
Ominaisuudet
Material
- Tulppa: nailon
- Ruuvi: valkotsinkitty teräs
Benefits
- Monipaisteinen muuttuva geometria
- Alhainen kiristysmomentti
- Erittäin joustava nailon
Sovellus
Applications
- Kehys
- Seinäkaapit
- Kevyt puusepäntyöt
Suitable for
- Halkeilematon betoni
- Kiinteä tiili
- Hunajakennoinen tiili
- Solumainen savitiili
- Kevyt hunajakennoinen tiili
- Ontto tiivis kiviaineslohko
- Ontto kevyt kiviaineslohko
- Harkkobetoni
- Kiinteä kivi
Tekniset tiedot
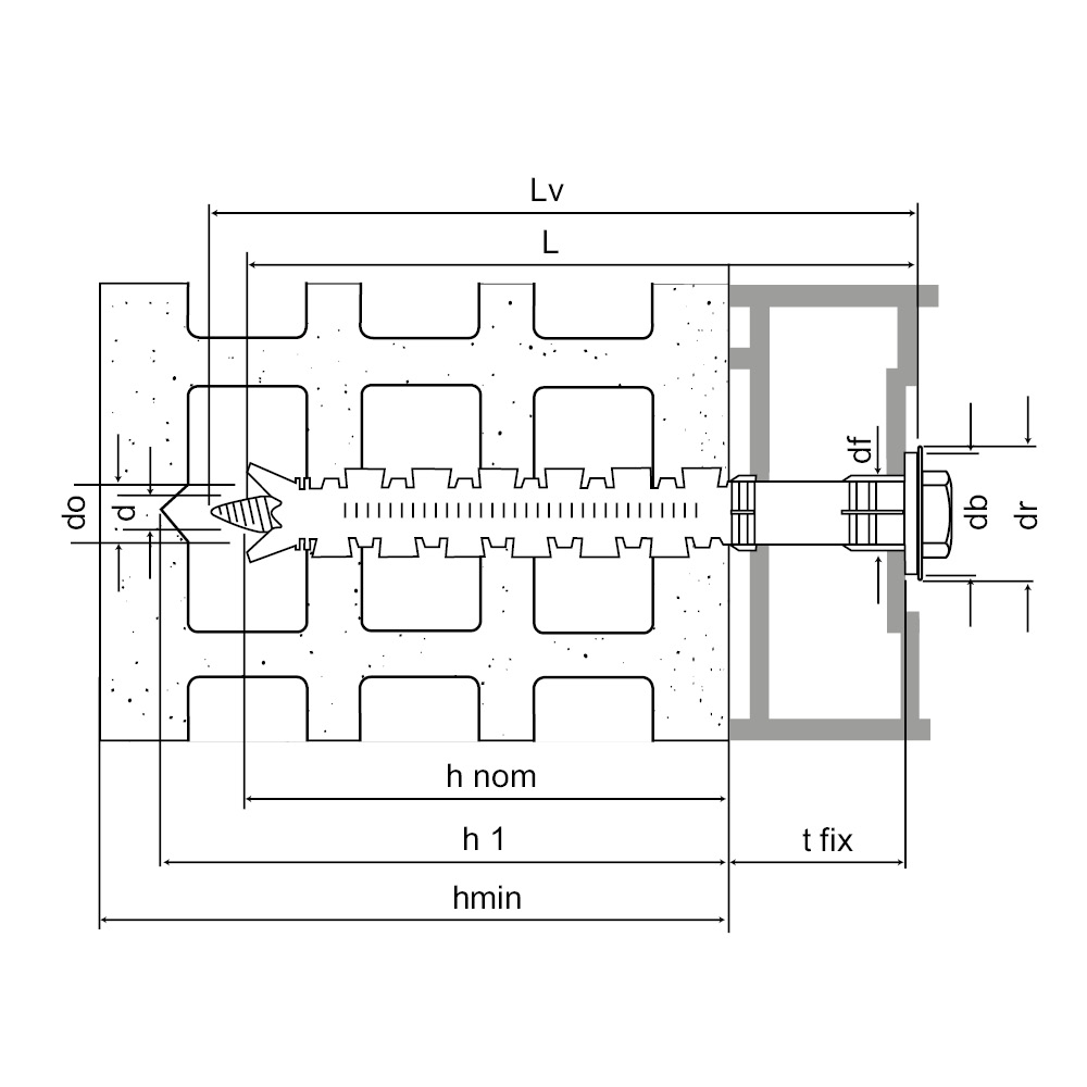
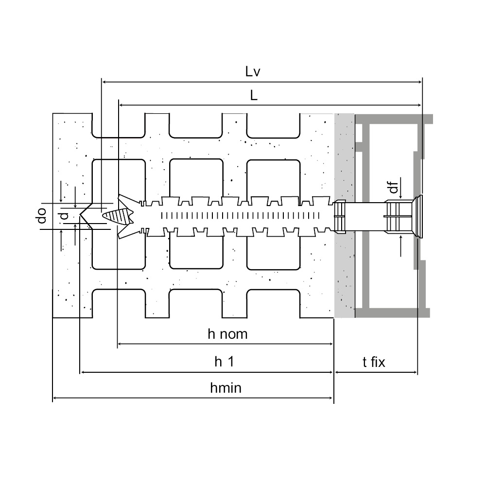
Tuotteen mitat - Uppokantaruuvi
| Tuotenro | Tuotenumero | Reiän halkaisija x ankkurin pituus [doxL] [mm] | Suurin kiinnityspaksuus [tfix] [mm] | Min. reiän syvyys [h1] | Nimellinen upotussyvyys [hnom] [mm] | Min. tukipaksuus* [hmin] [mm] | Reiän halkaisija kiinnikkeessä [df] [mm] | Ruuvin halkaisija [d] [mm] | Ruuvin pituus [Lv] [mm] | Bit | Qty per box | Määrä per ulkolaatikko |
|---|---|---|---|---|---|---|---|---|---|---|---|---|
| 64301B0808000 | FM-X5 | Ø8x80 | 10 | 80 | 70 | 120 | 8.5 | 6 | 85 | T30 | 100 | 1000 |
| 64301B1008500 | Ø10x85 | 15 | 80 | 70 | 120 | 10.5 | 7 | 90 | T40 | 50 | 500 | |
| 64301B1010000 | Ø10x100 | 30 | 80 | 70 | 120 | 10.5 | 7 | 105 | T40 | 50 | 500 | |
| 64301B1011500 | Ø10x115 | 45 | 80 | 70 | 120 | 10.5 | 7 | 120 | T40 | 50 | 500 | |
| 64301B1013500 | Ø10x135 | 65 | 80 | 70 | 120 | 10.5 | 7 | 140 | T40 | 50 | 200 | |
| 64301B1016000 | Ø10x160 | 90 | 80 | 70 | 120 | 10.5 | 7 | 165 | T40 | 50 | - |
* Including plaster
Tuotteen mitat - Kuusiokantaruuvit - Suuri aluslevy
Table "Tuotteen mitat - Kuusiokantaruuvit - Suuri aluslevy" cannot be displayed : no references available.
Tuotteen mitat - Tee-se-itse - Uppokantaruuvi
Table "Tuotteen mitat - Tee-se-itse - Uppokantaruuvi" cannot be displayed : no references available.
Tuotteen mitat - Tee-se-itse - Kuusiokantaruuvit
Table "Tuotteen mitat - Tee-se-itse - Kuusiokantaruuvit" cannot be displayed : no references available.
Suunnittelukapasiteetit – yksi ankkuri – ei reunavälejä
| Tuotenro | Suunnittelukapasiteetit - yksi ankkuri - ei reunavälejä | ||||||||||||
|---|---|---|---|---|---|---|---|---|---|---|---|---|---|
| Tuotenumero | Reiän halkaisija x ankkurin pituus [doxL] [mm] | Suunnittelukapasiteetti | |||||||||||
| Jännitys - NRd | Leikkaus - VRd | Taivutusmomentti MRd [Nm] | |||||||||||
| Halkeilematon betoni C12/15 [kN] | Halkeilematon betoni C16/20 [kN] | Autoklaavattu kevytbetoni AAC [kN] | Kiinteä tiili [kN] | Hollow brick Alveolater | Non-cracked concrete C12/15 [kN] | Non-cracked concrete C16/20 [kN] | Autoclaved aerated concrete AAC [kN] | Solid brick [kN] | Ontto tiili Alveolater | ||||
| 64301B0808000 | FM-X5 | Ø8x80 | 0.8 | 1.4 | 0.3 | 1.4 | 0.6 | 0.8 | 1.4 | 0.3 | 1.4 | 0.6 | 7 |
| 64301B1008500 | FM-X5 | Ø10x85 | 1.4 | 1.9 | 0.3 | 1.4 | 0.6 | 1.4 | 1.9 | 0.3 | 1.4 | 0.6 | 13.47 |
| 64301B1010000 | FM-X5 | Ø10x100 | 1.4 | 1.9 | 0.3 | 1.4 | 0.6 | 1.4 | 1.9 | 0.3 | 1.4 | 0.6 | 13.47 |
| 64301B1011500 | FM-X5 | Ø10x115 | 1.4 | 1.9 | 0.3 | 1.4 | 0.6 | 1.4 | 1.9 | 0.3 | 1.4 | 0.6 | 13.47 |
| 64301B1013500 | FM-X5 | Ø10x135 | 1.4 | 1.9 | 0.3 | 1.4 | 0.6 | 1.4 | 1.9 | 0.3 | 1.4 | 0.6 | 13.47 |
| 64301B1016000 | FM-X5 | Ø10x160 | 1.4 | 1.9 | 0.3 | 1.4 | 0.6 | 1.4 | 1.9 | 0.3 | 1.4 | 0.6 | 13.47 |
Asennus
Asennus
Välimatkat ja reunamatkat
| Tuotenro | Tuotenumero | Reiän halkaisija x ankkurin pituus [doxL] [mm] | Välit ja reunat | |||||||||||||
|---|---|---|---|---|---|---|---|---|---|---|---|---|---|---|---|---|
| Non-cracked concrete C12/15 | Non-cracked concrete C16/20 | Autoclaved aerated concrete AAC | Solid brick | |||||||||||||
| Min. edge distance [cmin] [mm] | Min. spacing [smin] [mm] | Characteristic edge distance [ccr,N] [mm] | Minimun thickness of support [hmin] [mm] | Min. reunaväli [cmin] [mm] | Min. spacing [smin] [mm] | Ominainen reunaväli [ccr,N] [mm] | Tuen vähimmäispaksuus [hmin] [mm] | Min. edge distance [cmin] [mm] | Min. spacing [smin] [mm] | Minimun thickness of support [hmin] [mm] | Min. edge distance [cmin] [mm] | Min. spacing [smin] [mm] | Minimun thickness of support [hmin] [mm] | |||
| 64301B0808000 | FM-X5 | Ø8x80 | 80 | 80 | 140 | 100 | 60 | 60 | 100 | 100 | 100 | 250 | 200 | 100 | 250 | 110 |
| 64301B1008500 | FM-X5 | Ø10x85 | 80 | 80 | 140 | 100 | 60 | 60 | 100 | 100 | 100 | 250 | 200 | 100 | 250 | 110 |
| 64301B1010000 | FM-X5 | Ø10x100 | 80 | 80 | 140 | 100 | 60 | 60 | 100 | 100 | 100 | 250 | 200 | 100 | 250 | 110 |
| 64301B1011500 | FM-X5 | Ø10x115 | 80 | 80 | 140 | 100 | 60 | 60 | 100 | 100 | 100 | 250 | 200 | 100 | 250 | 110 |
| 64301B1013500 | FM-X5 | Ø10x135 | 80 | 80 | 140 | 100 | 60 | 60 | 100 | 100 | 100 | 250 | 200 | 100 | 250 | 110 |
| 64301B1016000 | FM-X5 | Ø10x160 | 80 | 80 | 140 | 100 | 60 | 60 | 100 | 100 | 100 | 250 | 200 | 100 | 250 | 110 |
Installation data
| Tuotenro | Tuotenumero | Reiän halkaisija x ankkurin pituus [doxL] [mm] | Asennustiedot | |||
|---|---|---|---|---|---|---|
| Ø porausreikä [d0] [mm] | Min. poraussyvyys [h1] [mm] | Ø porauskiinnike [df] [mm] | Ruuvimeisselin koko [SW] [mm] | |||
| 64301B0808000 | FM-X5 | Ø8x80 | 8 | 80 | 8.5 | - |
| 64301B1008500 | FM-X5 | Ø10x85 | 10 | 80 | 10.5 | - |
| 64301B1010000 | FM-X5 | Ø10x100 | 10 | 80 | 10.5 | - |
| 64301B1011500 | FM-X5 | Ø10x115 | 10 | 80 | 10.5 | - |
| 64301B1013500 | FM-X5 | Ø10x135 | 10 | 80 | 10.5 | - |
| 64301B1016000 | FM-X5 | Ø10x160 | 10 | 80 | 10.5 | - |
Sertifiointi
Euroopan tekninen arviointi (ETA)
fm-x5-eta-10-0425-en-2024-03-13.pdf
(987.52 KB)