Ruostumaton teräs, raskaaseen käyttöön tarkoitettu kiilakiinnike
Stainless steel wedge anchor for the medium load range, in sizes M8 - M16 for anchoring in non-cracked concrete C20/25 - C50/60.
Tuotteen yksityiskohdat
Ominaisuudet
Material
- Ruostumaton teräs A4
Benefits
- Laaja valikoima
- Helppo asennus
- Monipuolinen
- Kylmätaottu ankkurirunko
- Kolmen laajennussegmentin paksuus
- Kuusi hammasta ja luistamaton harjanne estävät liukumisen kiristämisen aikana
Sovellus
Applications
- Kaiteet
- Metalli- ja puusepäntyöt
- Julkisivut
Suitable for
- Halkeilematon betoni
- Kiinteä kivi
Tekniset tiedot
Product Dimensions
| Tuotenro | Tuotenumero | NOBB nr. [NOBB nr.] | Dimensions [ØxL] [mm] | Thread length | Kiinnikkeen paksuus [tfix,max] vakioasennussyvyydellä [hef,STD] [mm] | Kiinnikkeen paksuus [tfix,max] pienennetyllä asennussyvyydellä [hef,RED] [mm] | Reiän halkaisija kiinnikkeessä [df] [mm] | Reiän halkaisija [do] x syvyys [h1] alustassa [mm] | Min. asennussyvyys [hef] [mm] | Qty per box | Määrä per ulkolaatikko | Paino [kg] |
|---|---|---|---|---|---|---|---|---|---|---|---|---|
| 7532000806500 | FM-753 A4 | 60743009 | M8x65 | 38 | 7 | 15 | 9 | 8x60 | 40 | 100 | 1000 | 0.027 |
| 7532000807500 | FM-753 A4 | 60743010 | M8x75 | 48 | 15 | 25 | 9 | 8x60 | 40 | 100 | 400 | 0.03 |
| 7532000811500 | FM-753 A4 | 60743011 | M8x115 | 83 | 55 | 65 | 9 | 8x60 | 40 | 100 | 400 | 0.043 |
| 7532001006000 | FM-753 A4 | 60343012 | M10x60*/** | 28 | - | 5 | 12 | 10x55 | 35 | 50 | 500 | 0.044 |
| 7532001007500 | FM-753 A4 | 60743013 | M10x75 | 43 | 5 | 20 | 12 | 10x70 | 50 | 50 | 500 | 0.052 |
| 7532001009000 | FM-753 A4 | 60743014 | M10x90 | 55 | 20 | 35 | 12 | 10x70 | 50 | 50 | 200 | 0.059 |
| 7532001012000 | FM-753 A4 | 60743015 | M10x120 | 85 | 50 | 65 | 12 | 10x70 | 50 | 50 | 200 | 0.074 |
| 7532001210000 | FM-753 A4 | 60743016 | M12x100 | 58 | 10 | 25 | 14 | 12x85 | 60 | 50 | 200 | 0.093 |
| 7532001211000 | FM-753 A4 | 60743017 | M12x110 | 68 | 20 | 35 | 14 | 12x85 | 60 | 50 | 200 | 0.1 |
| 7532001213500 | FM-753 A4 | 60743018 | M12x135 | 93 | 45 | 60 | 14 | 12x85 | 60 | 25 | 100 | 0.12 |
* Anchors with reduced embedment depths
** Not covered by CE certification
Suunnittelukapasiteetit – yksi ankkuri – ei reunavälejä
| Tuotenro | Tuotenumero | Dimensions [ØxL] [mm] | Suunnittelukapasiteetit - yksi ankkuri - ei reunavälejä | ||||||||
|---|---|---|---|---|---|---|---|---|---|---|---|
| Suunnittelukapasiteetti – Halkeamaton betoni (3) | |||||||||||
| Jännitys - NRd (1) | Leikkaus - VRd (1-2) | Taivutusmomentti MRd [Nm] | |||||||||
| C20/25 [kN] | C30/37 [kN] | C40/50 [kN] | C50/60 [kN] | C20/25 [kN] | C30/37 [kN] | C40/50 [kN] | C50/60 [kN] | ||||
| 7532000806500 | FM-753 A4 | M8x65 | 5 | 5.85 | 6.6 | 7.1 | 8.3 | - | - | - | 18.04 |
| 7532000807500 | FM-753 A4 | M8x75 | 5 | 5.85 | 6.6 | 7.1 | 8.3 | - | - | - | 18.04 |
| 7532000811500 | FM-753 A4 | M8x115 | 5 | 5.85 | 6.6 | 7.1 | 8.3 | - | - | - | 18.04 |
| 7532001006000 | FM-753 A4 | M10x60*/** | 8 | 9.76 | 11.28 | 12.4 | 11.6 | - | - | - | 36.84 |
| 7532001007500 | FM-753 A4 | M10x75 | 8 | 9.76 | 11.28 | 12.4 | 11.6 | - | - | - | 36.84 |
| 7532001009000 | FM-753 A4 | M10x90 | 8 | 9.76 | 11.28 | 12.4 | 11.6 | - | - | - | 36.84 |
| 7532001012000 | FM-753 A4 | M10x120 | 8 | 9.76 | 11.28 | 12.4 | 11.6 | - | - | - | 36.84 |
| 7532001210000 | FM-753 A4 | M12x100 | 15.2 | 18.544 | 21.432 | 23.56 | 20.6 | 20.6 | 20.6 | 20.6 | 63.9 |
| 7532001211000 | FM-753 A4 | M12x110 | 15.2 | 18.544 | 21.432 | 23.56 | 20.6 | 20.6 | 20.6 | 20.6 | 63.9 |
| 7532001213500 | FM-753 A4 | M12x135 | 15.2 | 18.544 | 21.432 | 23.56 | 20.6 | 20.6 | 20.6 | 20.6 | 63.9 |
1. The design loads loads have been calculated using the partial safety factors for resistances stated in ETA-approval(s). The loading figures are valid for unreinforced concrete and reinforced concrete with a rebar spacing s ≥ 15 cm (any diameter) or with a rebar spacing s ≥ 10 cm, if the rebar diameter is 10mm or smaller.
2. The figures for shear are based on a single anchor without influence of concrete edges. For anchorages close to edges (c ≤ max [10 hef; 60d]) the concrete edge failure shall be checked per ETAG 001, Annex C, design method A.
3. Concrete is considered non-cracked when the tensile stress within the concrete is\sigmaL +\sigmaR ≤ 0. In the absence of detailed verification\sigmaR = 3 N/mm² can be assumed (\sigmaL equals the tensile stress within the concrete induced by external loads, anchors loads included).
*) Short series with reduced embedment depth
**) Not covered by CE certification
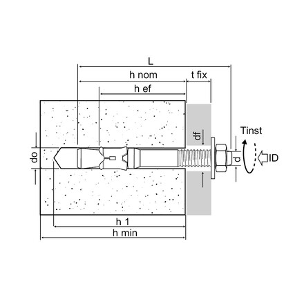
Asennus
Asennus
Installation data
| Tuotenro | Tuotenumero | Dimensions [ØxL] [mm] | Ø porausreikä [d0] [mm] | Min. poraussyvyys [h1] [mm] | Ø porauskiinnike [df] [mm] | Ruuvimeisselin koko [SW] [mm] | Asennusmomentti [Tinst] [Nm] | Embedment depth [hef] [mm] | Min. tukipaksuus [hmin] [mm] |
|---|---|---|---|---|---|---|---|---|---|
| 7532000806500 | FM-753 A4 | M8x65 | 8 | 60 | 9 | 13 | 15 | 40 | 100 |
| 7532000807500 | FM-753 A4 | M8x75 | 8 | 60 | 9 | 13 | 15 | 40 | 100 |
| 7532000811500 | FM-753 A4 | M8x115 | 8 | 60 | 9 | 13 | 15 | 40 | 100 |
| 7532001006000 | FM-753 A4 | M10x60*/** | 10 | 55 | 12 | 17 | 25 | 35 | 100 |
| 7532001007500 | FM-753 A4 | M10x75 | 10 | 70 | 12 | 17 | 25 | 50 | 100 |
| 7532001009000 | FM-753 A4 | M10x90 | 10 | 70 | 12 | 17 | 25 | 50 | 100 |
| 7532001012000 | FM-753 A4 | M10x120 | 10 | 70 | 12 | 17 | 25 | 50 | 100 |
| 7532001210000 | FM-753 A4 | M12x100 | 12 | 85 | 14 | 19 | 50 | 60 | 120 |
| 7532001211000 | FM-753 A4 | M12x110 | 12 | 85 | 14 | 19 | 50 | 60 | 120 |
| 7532001213500 | FM-753 A4 | M12x135 | 12 | 85 | 14 | 19 | 50 | 60 | 120 |
* Not included in the approval
Välimatkat ja reunamatkat
| Tuotenro | Tuotenumero | Dimensions [ØxL] [mm] | Min. reunaväli [cmin] [mm] | Min. spacing [smin] [mm] | Ominainen reunaväli [ccr,N] [mm] | Ominaisväli (5) - Scr,N [scr,N] [mm] |
|---|---|---|---|---|---|---|
| 7532000806500 | FM-753 A4 | M8x65 | 60 | 60 | 60 | 120 |
| 7532000807500 | FM-753 A4 | M8x75 | 60 | 60 | 60 | 120 |
| 7532000811500 | FM-753 A4 | M8x115 | 60 | 60 | 60 | 120 |
| 7532001006000 | FM-753 A4 | M10x60*/** | 75 | 75 | 75 | 150 |
| 7532001007500 | FM-753 A4 | M10x75 | 75 | 75 | 75 | 150 |
| 7532001009000 | FM-753 A4 | M10x90 | 75 | 75 | 75 | 150 |
| 7532001012000 | FM-753 A4 | M10x120 | 75 | 75 | 75 | 150 |
| 7532001210000 | FM-753 A4 | M12x100 | 90 | 90 | 90 | 180 |
| 7532001211000 | FM-753 A4 | M12x110 | 90 | 90 | 90 | 180 |
| 7532001213500 | FM-753 A4 | M12x135 | 90 | 90 | 90 | 180 |